产品选型
选择臂展
  • 不限
  • 1.5米以内
  • 2米以内
  • 2.5米以内
  • 3米以内
  • 4米以内
选择负载
  • 不限
  • 10kg以内
  • 30kg以内
  • 50kg以内
  • 100kg以内
  • 200kg以内
  • 400kg以内
选型工具
嘿,您好
我能帮上什么忙?

给28圈电竞留言

请留言

CRP-RA26-220
描述
大负载搬运机器人
功能特点
  • 臂展2.65米,刚性高,负载能力强,运行更平稳,比上一代提升约2%。

  • 负载能力为220kg,比上一代提升约5%。

  • 手臂电机内置,外观简洁,适用狭小空间作业,运动更灵活。

  • 采用高速,高过载能力伺服电机,高精度RV减速机与最新防振控制策略,缩短节距操作时间。

  • 整机安装占地面积少,可实现高密集度的安装布线,多台协作作业。

  • 机器人结构简洁,操作界面友好,易于维护保养。


本体技术指标

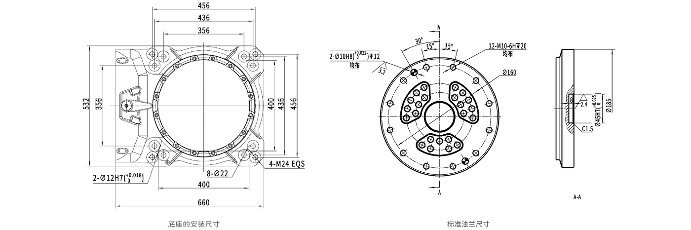
安装接口图

​工作范围图