产品选型
选择臂展
  • 不限
  • 1.5米以内
  • 2米以内
  • 2.5米以内
  • 3米以内
  • 4米以内
选择负载
  • 不限
  • 10kg以内
  • 30kg以内
  • 50kg以内
  • 100kg以内
  • 200kg以内
  • 400kg以内
选型工具
嘿,您好
我能帮上什么忙?

给28圈电竞留言

请留言

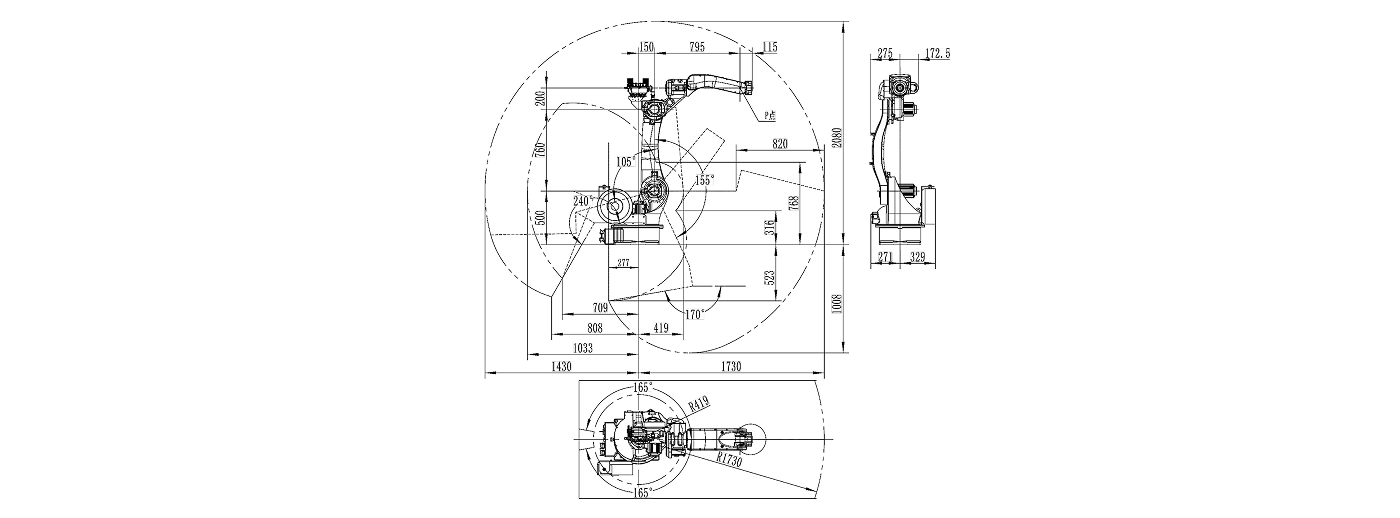
CRP-RH18-20-W
描述
工业机器人焊接用途
功能特点
  • 臂展1.8米,设计高度紧凑,可灵活选择地面安装或倒挂安装。

  • 工作空间大、运行速度快、重复定位精度高,适用于焊接应用,适用范围广。

  • 配置独立于控制系统的安全急停板,采用安全继电回路,对外提供双回路急停,确保急停的可靠性。

  • 本体电缆采用高柔机器人专用电缆。

  • 内置变压器,380V和220V进行隔离,电源更稳定。

  • 内装滤波器,有效改善EMC和EMI性能。

  • 本体提供双回路气管,满足焊接的需求。

  • 6轴的中孔内径为44mm,可满足水冷枪、波纹管枪的安装要求。

  • 内置高柔焊接电缆。

产品参数

安装接口图

工作范围图